Force of your advance.

* Сила Вашего движения вперед.

(499) 136-17-50   eds@eds-privod.ru


Главная | Каталог | Соосно-цилиндриеские редукторы, мотор редукторы | Соосно-цилиндрический мотор-редуктор HR,TRC | Чертежи, редуктор HR, TRC | Редуктор HR 97-TR 98

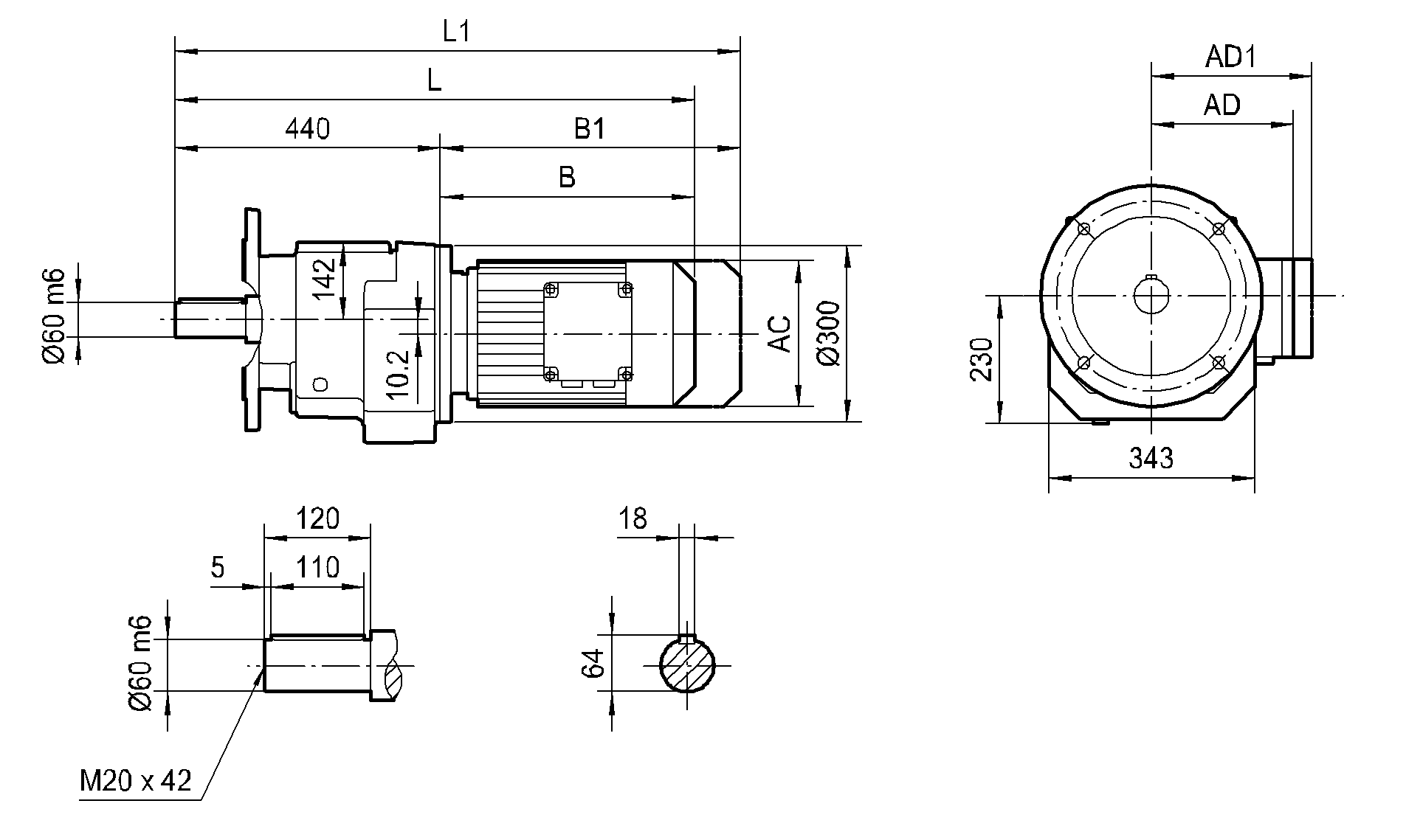
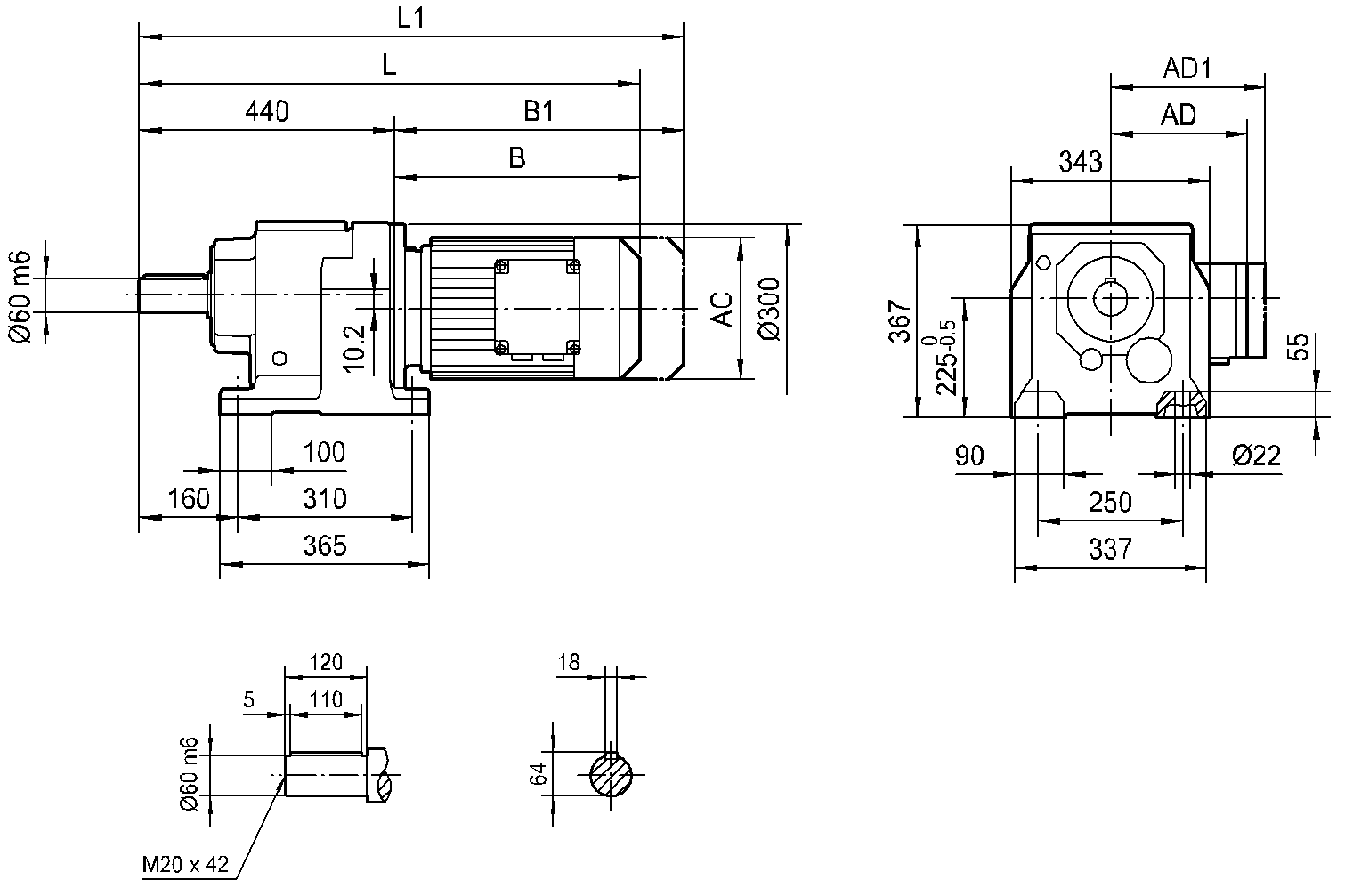
Соосный редуктор, мотор-редуктор HR 97, TR 98.


Исполнение редуктора: лапы

Исполнение редуктора: фланец

Таблица присоединительных размеров в зависимости от габарита электродвигателя, присоединяемого к редуктору.

IEC 80 IEC 90 IEC 100M IEC 100L IEC 112M IEC 132S IEC 132M IEC 132ML IEC 160M IEC 160L IEC 180 IEC 200
AC 145 197 197 197 221 221 275 275 275 331 331 394
AD 122 154 166 166 179 179 230 230 230 258 258 285
AD1 127 161 166 166 182 182 230 230 230 258 258 285
B 231 251 301 331 335 380 402 462 462 509 581 629
B1 295 336 386 416 415 460 514 574 574 665 727 785
L 671 691 741 771 775 820 842 902 902 949 1021 069
L1 735 776 826 856 855 900 954 1014 1014 1105 1177 12250



© 2010-2013 торговая компания ООО «ЭДС-ПРИВОД».

Все права защищены законодательством Российской Федерации.

Телефон/Факс: (499) 136-17-50

Электронная почта: eds@eds-privod.ru

Скайп: eds-privod